 |
| メインヒューズボックス |
|
|
前日の伊豆ツーリングに出発する時、ホーンが鳴らないのに気づいた。直ぐ治るものでもないので、そのまま走ってたけど、途中で、ブレーキランプが点灯していないよ! と仲間に言われた。後ろからオカマを掘る寸前だったとのこと。ヒェ〜、やばい。
メインヒューズボックスを開けてみる。ブレーキランプ&ホーンの20Aヒューズが切れていた。実はこのトラブル、2月にもてぎで走行していた時も指摘され、ヒューズ交換で治っていたので安心していた。
ところがまた発生してしまった。なにか原因があるようだ。 |
|
|
|
ツーリングの途中で、予備で持参しているヒューズに交換したが、また直ぐに切れてしまった。なんだ〜? もう現地ではお手上げだ〜。急ブレーキを踏まないようにして、恐る恐る帰宅していたのだった。
翌日の日曜日、原因を探ってみることにした。まずはどういうセオリーでヒューズが切断するのかを把握することにし、まずは、この20Aヒューズに流れている電流を測定して見ることにした。リード線を追加して、20Aのヒューズそのものを外に出し、このリード線に流れる電流を計った。ブレーキランプを踏んだ時は、約7.9Aの一定電流が流れていた。ヒューズの容量からすると、おそらく正常値だろう。幾度、ブレーキを踏んでみても、異常な電流は観測されなかった。 |
|
 |
| 電流測定中 |
|
|
|
|
 |
| Type-Rのステアリングボス |
|
|
さて、次にホーンボタンを押してみた。すると、一瞬、ホーンが鳴りかけたが、引き出していた20Aのヒューズが光を放ちながらパチンと音を立てて、ものの見事に切れてしまった。てっきり、ブレーキランプにでも水が入っていて、それが悪さをしていると思っていた僕の予想は見事に外れた(苦笑)。
え〜っ、ホーン回路が悪いのか〜。単純な回路だろうから、原因の見当もつかない。唯一、あるとすれば、ステアリング回りだろうと思われた。というのも、2年程前、エアーバック付きのステアリングを、Type-RのステアリングにDIYで交換していたからだ。当然、ホーン回路も改造していた。 |
|
|
|
ステアリングを外し、続けてType-Rのボスも外した。ボスの後側にホーンの接点用プレートがある。少しオイルが飛び散っていたけど、特に悪さをしているような状態では無かった。
続けて、ホーン回路を引き出しているハーネスを改造した部分をバラしてみた(右の写真)。こちらも特に問題はない。後はなんだ〜? ホーンそのものが短絡しているのかな〜。フロントからホーン根元のハーネスを外してみた。これでヒューズが飛ばなければ、原因はホーンにあることになる。恐る恐るホーンボタンを押してみると、また、ヒューズがぶっ飛んだ。エ〜ッ? 何? 何が悪いの? |
|
 |
| ホーン制御信号を取り出している部分 |
|
|
|
|
 |
| ステアリングとボスを外した状態 |
|
|
僕の頭は混乱した。落ち着け! 冷静に考えてみた。ヒューズの飛び方からして、ホーン回路がショートしているのは間違いない。となると、ヒューズの先にあるのはハーネスだけ・・・。ハーネスがどこかでショートしてるのか? もうそれしか考えられなかった。ホーンに接続している2ピンのハーネスカプラの両電極間の抵抗をテスターで当たってみた。結果はほとんど0Ωだった。ゲゲゲ! ショートしているではないか。これじゃ、ヒューズが飛ぶわけだ。でも、ハーネスのどこでショートしてるのか。ハーネスを辿ってみたけど、悪い所らしき部分はまったく無い。
こうなると、回路図も無しでこれ以上の作業をするのは無理だ。ということで、作業を一旦中断した。 |
|
|
|
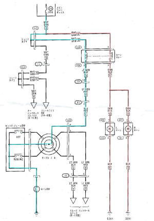
後日、行きつけのディーラーに車を持ち込んだ。前もって回路図のコピーを頼んでおいたので、それを見ながら、症状と前日の作業内容を説明していた。回路図を良くみると、ホーンが2つ書いてある。エッ? ホーンって2つあるの?(苦笑) フロントグリルから中を覗いてみると左右に2つあるではないか! ガ〜ン!
僕は助手席側のホーンだけだと思って作業していたけど、運転席側にもホーンがあったのだ(苦笑)。これで原因がだいたいわかってきた。運転席側のホーン自身が短絡してるのだろう。
しばらくして、ディーラーの担当の方から電話があった。運転席側のホーンをいじっていたら、ヒューズは飛ばなくなったが、運転席側のホーンは鳴らないとのこと。もはや原因は決定的だった。かなり劣化しているので、ホーンは2つとも新品に交換し、ホーン用リレーにはヒューズが切断する過程で過電流が流れているので、念のため、これも交換することにした。
最初からホーンが2つあるのを知っていたら、昨日の段階で自分で原因は特定できただろう。無知、思い込みというのは怖い!(苦笑) |
|
 |
| ホーン回路 |
|
|
|
|